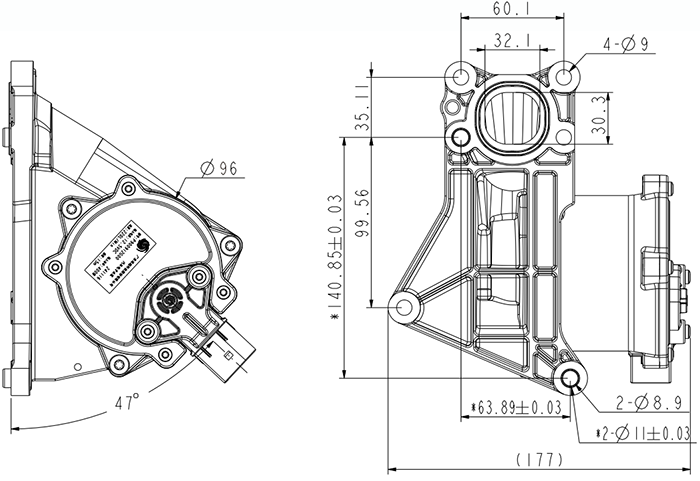
P9009发动机水泵
内容提示:一、产品应用: 1. 发动机冷却循环 二、产品特征: 1.重 量:1.9Kg 2.防护等级: IP6K7 3.绝缘等级:H级 4.使用寿命: 1500h@140℃ 三、使用条件: 环境温度:-40 - 140℃ 介质温度:-40 - 128℃ 介

一、产品应用:
1.发动机冷却循环
二、产品特征:
1.重 量:1.9Kg
2.防护等级:IP6K7
3.绝缘等级:H级
4.使用寿命:1500h@140℃
三、使用条件:
环境温度:-40 - 140℃
介质温度:-40 - 128℃
介 质:防冻液
使用场所:车载
四、特点:
1.采用无刷电机,寿命长
2.功耗低、流量大
3.便于安装
2.功耗低、流量大
3.便于安装


六、性能参数表:
| 额定电压 | 使用电压范围 | 额定电流 | 最大扬程 | 最大流量 | 额定功率 | 最大噪音 |
| V | V | A | m | L/min | W | dB(A) |
| 12 | 8-16 | 32 | 15 | 250 | 400 | ≤60 |
时间:2026-04-14 来源:未知 点击:次
